Gostaria de pedir uma proposta comercial? Pedir Proposta
Descrição:
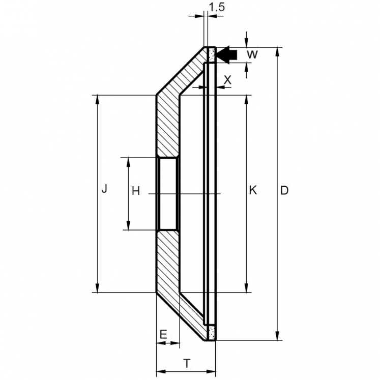
Retificadoras com resina para afiar e retificar, normalmente secas, a ferramentas de corte de metal duro. Em comparação com as rodas tradicionais de carboneto de silício, elas oferecem maior durabilidade e maior precisão dimensional.
A carregar descontos...