Gostaria de pedir uma proposta comercial? Pedir Proposta

Resistências

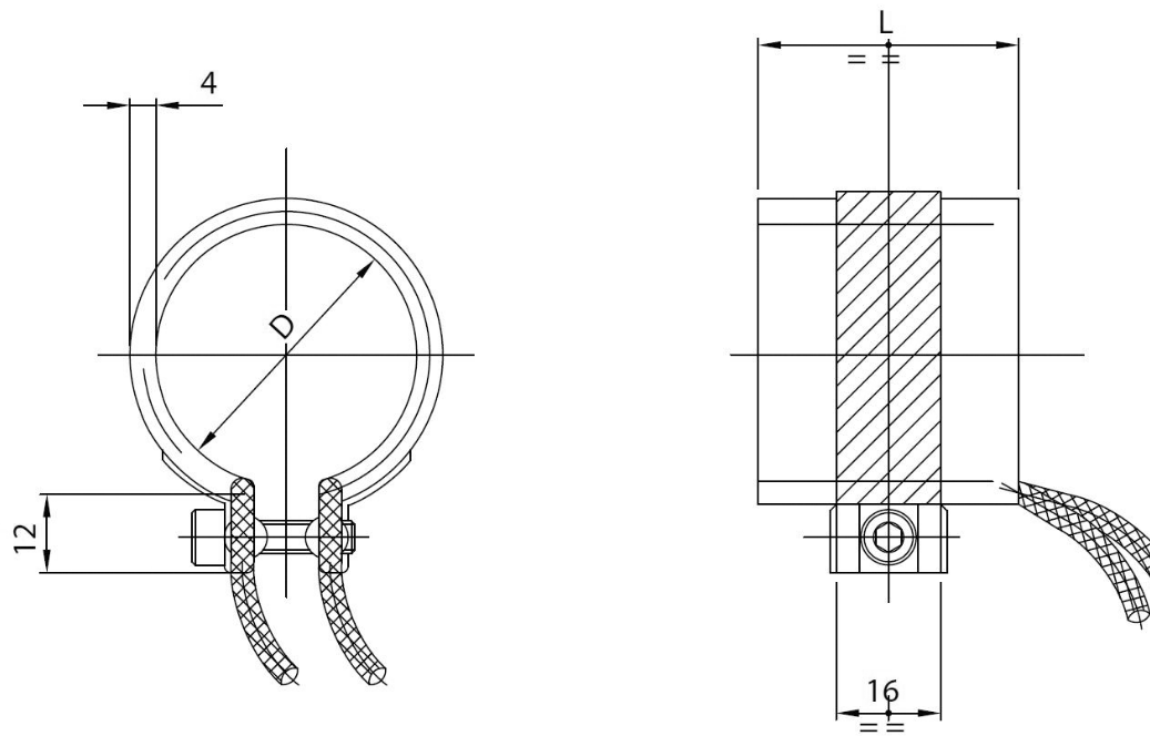
Resistências Anelares MICA para Bico

Mouldpro

Referências

A carregar referências: 0 / 64 0%
[MISSING: common.error_loading]
* Os valores em promoção deste artigo são válidos até ao dia 19-12-2025