Gostaria de pedir uma proposta comercial? Pedir Proposta
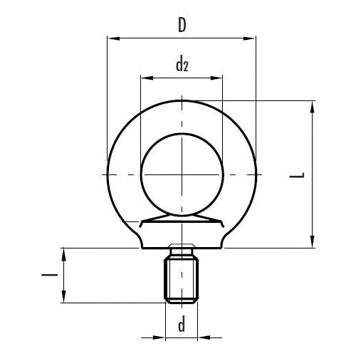
Os olhais são uma peça fundamental do equipamento de elevação para um manuseamento e movimentação seguros dos moldes, fixando o olhal a uma carga para que possa ser fixada uma funda ou equipamento de elevação.
A carregar descontos...