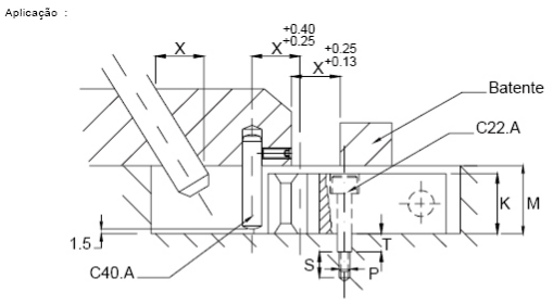
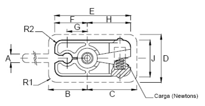
- Para o bom funcionamento dos posicionadores é importante respeitar todas as dimenções, especialmente a cota G, as cotas X (curso de abertura do elemento móvel) e a carga indicada (em Newtons). Os posicionadores não podem trabalhar acima dos 110°C e todas as peças movéis devem ser lubrificadas regularmente. A cavilha e o perno limitador são fornecidos com o posicionador. Equivalente a DMS tipo SRT.
- : Os posicionadores poderão ser usados noutras aplicações, como por exemplo, na fixação de placas moveis, desde que não seja ultrapassada a carga indicada.