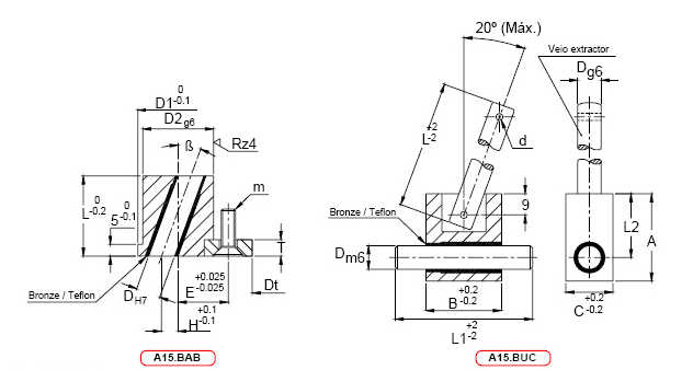
NOTAS: Para utilização em geometrias negativas que requerem a libertação de pequenas prisões antes da extracção efectiva da peça. Não é necessária a lubrificação dado que ambas as peças incorporam casquilhos em Bronze/Teflon. Temperatura Máxima de Trabalho = 100°C. É necessário garantir que o conjunto balancé não seja danificado pela actuação da extracção.