Gostaria de pedir uma proposta comercial? Pedir Proposta
ORings Viton;
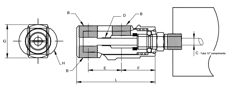
O tubo inox é de 12" comprimento e deve ser ajustado às necessidades;
As Cascatas Alto Fluxo C04.RAE aumentam substancialmente o caudal, relativamente às cascatas standard.
A carregar descontos...