Gostaria de pedir uma proposta comercial? Pedir Proposta
Descrição:
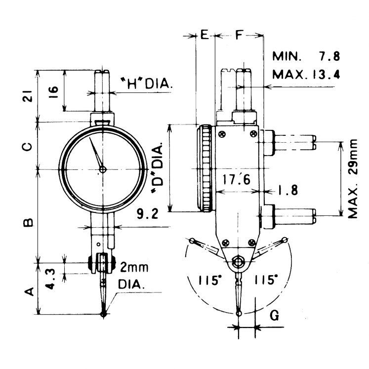
Ideal para inspeção, movimento de jóias, de acordo com a norma DIN 2270A. Dove-tail ø 6 mm confortável. Ponto de contato de metal duro.
A carregar descontos...