O contador monitoriza positivamente a actividade do molde, valida os dados de monitorização do processo e ajuda no procedimento de manutenção do molde.
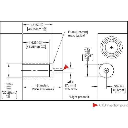
Os contadores redondos podem ser instalados nas placas A ou B com uma espessura mínima de 1,875” (47 mm).
As placas maiores requerem uma haste roscada (não incluída) que é pré-maquinada com o comprimento adequado para as espessuras da placa padrão, para proporcionar uma actuação consistente.
Temperatura máxima de funcionamento: 120°C
Contador: Mecânico não reinicializável, sete dígitos