Gostaria de pedir uma proposta comercial? Pedir Proposta

Equipamento de Fixação à Mesa

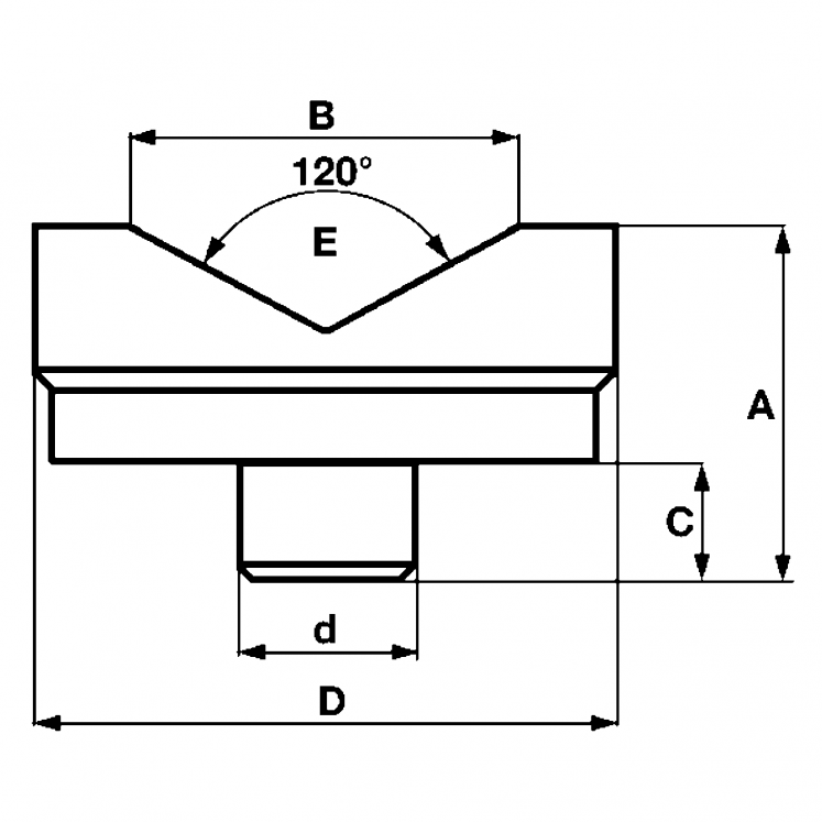
TAMPA EM V C7310

LINK

Referências

A carregar referências: 0 / 2 0%
[MISSING: common.error_loading]
* Os valores em promoção deste artigo são válidos até ao dia 18-12-2025