Gostaria de pedir uma proposta comercial? Pedir Proposta
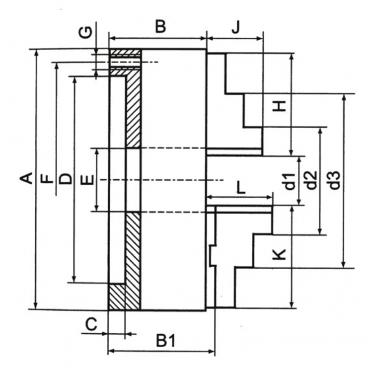
DESCRIÇÃO: Mandris autocentrantes guia de 3 maxilas. Conexão de flange. Corpo em ferro fundido.
Equipamento: Fornecido com as séries de garras internas e externas (DIN 6350 escalonada e temperada), chave de operação e parafusos de fixação.
A carregar descontos...