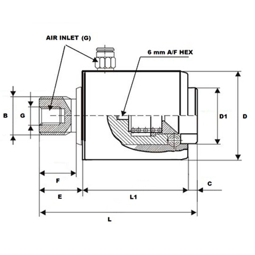
Os acoplamentos de ejeção garantem uma troca de molde rápida e segura. Eles são projetados para se adaptar aos conectores padrão EJC-M.
O acoplamento EJC-FP é acionado pneumaticamente. O acoplador conecta-se mecanicamente ao conector EJC-M e desconecta-se utilizando ar em um dos 2 portos.
A unidade EJC-FP é instalada na máquina e o conector EJC-M é instalado no molde/haste.