Gostaria de pedir uma proposta comercial? Pedir Proposta

SWISS MBM Acabamento Furos Modular

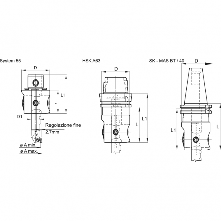
SWISS MBM KIT DE MANDRILAMENTO DE ALTA PRECISãO Ø9,75-Ø88,10

SWISS MBM

Referências

A carregar referências: 0 / 8 0%
[MISSING: common.error_loading]
* Os valores em promoção deste artigo são válidos até ao dia 18-12-2025