Gostaria de pedir uma proposta comercial? Pedir Proposta

Óleo de Protecção, Detergentes e Acessórios

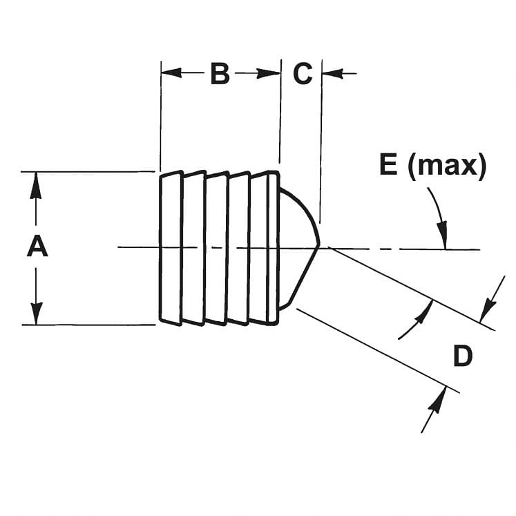
PONTEIRAS PARA TORNOS CNC - 10 BAR

LINK

Referências

A carregar referências: 0 / 2 0%
[MISSING: common.error_loading]
* Os valores em promoção deste artigo são válidos até ao dia 19-12-2025