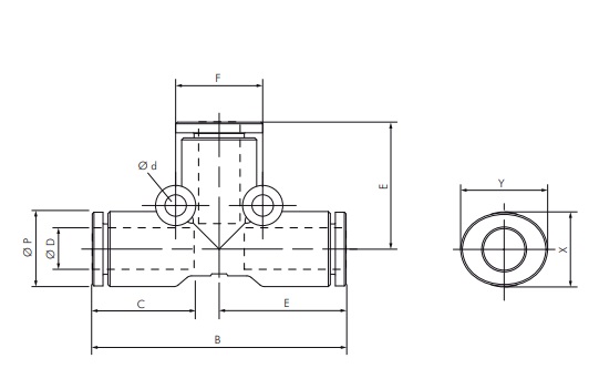
Conectores de entrada em T (também reduzindo), padrão
Materiais: Corpo: latão niquelado - PA 66, manga: PA 66 (M 3: aço niquelado - PA66), vedação: NBR, garras de retenção: aço inoxidável, cartucho: ZnDC zincado (somente vedações sem silicone e lubrificantes são usados durante a montagem ) Faixa de temperatura: -20ºC a +80ºC Pressão de operação: -0,95 a 20 bar Meio: ar comprimido lubrificado e não lubrificado, gases neutros e água (água até no máximo 60º C pode ser usada somente após aprovarmos as especificações de desempenho ) Vantagens: -Muita variedade de produtos, extremamente apertada devido à vedação labial, disponível com rosca cônica, revestida com PTFE ou com rosca cilíndrica e anel O-ring cativo