Acessórios de anel de corte de aço e aço inoxidável - Acessórios de anel de compressão, ISO 8434-1 (
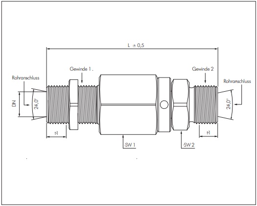
Conexões de parafuso de rotação do anteparo guiadas por esferas, conexão do anel de corte, até 350 bar
Adequado: Uso entre um ponto fixo e uma mangueira conectada a componentes de máquinas rotativas ou oscilantes ou guindastes Para movimentos giratórios até no máximo 20 rpm, movimento rotacional ininterrupto Materiais: Corpo: aço zincado, vedações: NBR Meio: Óleo hidráulico ou ar comprimido lubrificado Faixa de temperatura: -20ºC a +90ºC