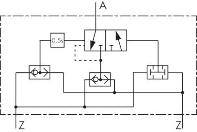
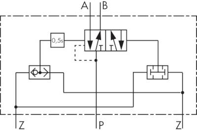
Materiais: Corpo: alumínio anodizado, partes internas: alumínio, latão e aço inoxidável, vedações: plástico e NBR Faixa de temperatura: -10ºC a max +70ºC (Projeto padrão: -10ºC a max +60ºC) Meio: ar comprimido filtrado lubrificado e sem óleo Entrada de pressão: Conexão P (tipo SZ 18 310 B: Alimentação de ar via sinais de controle ) Função SZ: A válvula muda quando dois sinais de entrada Z 1 e Z 2 são recebidos dentro de um intervalo de 0 5 seg Ao excluir um ou ambos os sinais, o pistão é redefinido A válvula não liga se os sinais de entrada não forem recebidos dentro de 0 5 seg. Para reiniciar, ambos os sinais devem ser excluídos primeiro Aplicação SZ: Para máquinas e dispositivos que devem ser ligados usando ambas as mãos (e g prensas) Cilindros até Ø 160 podem ser operados diretamente usando a válvula SZ 14510 ou SZS 14510 Função SZS: Além das duas entradas de sinal Z 1 e Z 2, este bloco de controle manual também tem a conexão de sinal Y Sinal para Y alterna o bloco de controle manual como uma válvula normal de 5 vias Aplicação SZS: 1 Para máquinas e equipamentos que precisam ser ligados usando ambas as mãos, no entanto, pouco antes do interruptor de fim de curso para "Detido" Ambos os botões manuais já podem ser liberados antes que o Detendo de fim de curso seja ligado pelo interruptor de limite (sinal para Y) e liberado por uma válvula de tempo ou interruptor de pressão 2 Para máquinas e equipamentos que opcionalmente podem ser ligados com ambas as mãos ou uma mão, ou por meio de um interruptor de pé