Ideais para uso com: sistemas de Troca Rápida de Moldes e Ejeção de Duas Etapas. Projetados para fornecer um método rápido de ligar a placa ejetora no seu molde ao sistema de ejeção na sua máquina de moldagem. Proporcionam um retorno positivo da placa ejetora, reduzindo significativamente o tempo de configuração. Perfeitamente adequados para máquinas de moldagem onde a placa ejetora é de difícil acesso. Ideal quando a ejeção central é desejada, mas impossível de "conectar". Funcionam com ejeção hidráulica ou mecânica.
Usos e Vantagens
Instalação rápida e fácil (mesmo em moldes existentes). O retorno da placa ejetora é garantido.
A ejeção da peça é garantida.
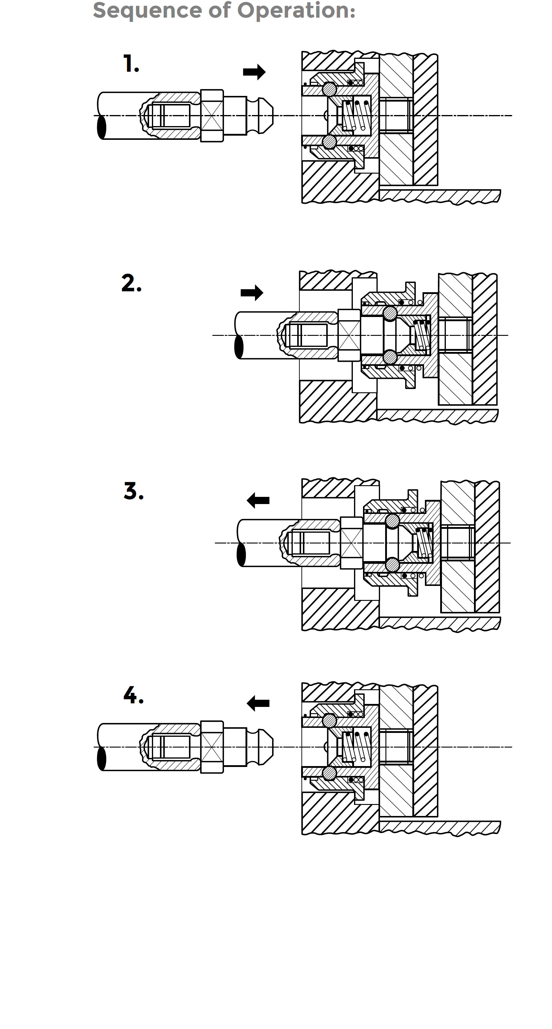
O acoplamento é obtido em qualquer posição, e a desconexão ocorre após o retorno completo da placa ejetora.
Ação rápida até 30 ciclos por minuto. Sem peças de desgaste.
Podem ser usados em todas as máquinas de injeção equipadas com ejeção hidráulica ou mecânica.
O tempo de configuração pode ser significativamente reduzido.
Reduzem o ruído em máquinas com batentes mecânicos. Especialmente adequados para máquinas de injeção que não têm fácil acesso à placa ejetora.